| ※페이지 하단에서 인증서 및 도면을 다운로드 받을 수 있습니다. | |||||||||||||||||||||||||||||||||||||||||||||||||||||||||||||||||||||||||||||||||||||||||||||||
| Z형 마이크로스위치-눌름버튼형 Z type micro switches, With push button |
|||||||||||||||||||||||||||||||||||||||||||||||||||||||||||||||||||||||||||||||||||||||||||||||
| S | H | Z | M | - | P | 5 | 0 | 3 | A | - | 1 | 5 | G | A | |||||||||||||||||||||||||||||||||||||||||||||||||||||||||||||||||||||||||||||||||
|
|
|
||||||||||||||||||||||||||||||||||||||||||||||||||||||||||||||||||||||||||||||||||||||||||||||
| SungHo | Z micro switch | 힌지형 Hinge lever |
Type | 정격용량 Rating |
접점간격 Interval |
전압 Voltage |
|||||||||||||||||||||||||||||||||||||||||||||||||||||||||||||||||||||||||||||||||||||||||
| A : | 장눌름버튼 | 15A | G : 0.5mm | AC | |||||||||||||||||||||||||||||||||||||||||||||||||||||||||||||||||||||||||||||||||||||||||||
| B : | 단눌름버튼 | ||||||||||||||||||||||||||||||||||||||||||||||||||||||||||||||||||||||||||||||||||||||||||||||
| C : | 핀눌름버튼 | ||||||||||||||||||||||||||||||||||||||||||||||||||||||||||||||||||||||||||||||||||||||||||||||
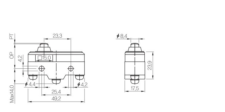
| 장눌름버튼형 Long push button |
SHZM-P503A-15GA | ||||||||||||||||||||||||||||||||||||||||||||||||||||||||||||||||||||||||||||||||||||||||||||||
| 동작에 필요한 힘, OF Max | 350 gf | ||||||||||||||||||||||||||||||||||||||||||||||||||||||||||||||||||||||||||||||||||||||||||||||
![]() |
![]() |
돌아가는 힘, RF Min | 114 gf | ||||||||||||||||||||||||||||||||||||||||||||||||||||||||||||||||||||||||||||||||||||||||||||
| 동작까지의 움직임, PT Max | 0.4 mm | ||||||||||||||||||||||||||||||||||||||||||||||||||||||||||||||||||||||||||||||||||||||||||||||
| 동작후의 움직임, OT Min | 5.8 mm | ||||||||||||||||||||||||||||||||||||||||||||||||||||||||||||||||||||||||||||||||||||||||||||||
| 응차의 움직임, MD Max | 1.0 mm | ||||||||||||||||||||||||||||||||||||||||||||||||||||||||||||||||||||||||||||||||||||||||||||||
| 동작위치, OP | 21.8±0.8 mm | ||||||||||||||||||||||||||||||||||||||||||||||||||||||||||||||||||||||||||||||||||||||||||||||
| 단눌름버튼형 Short push button |
SHZM-P503B-15GA | ||||||||||||||||||||||||||||||||||||||||||||||||||||||||||||||||||||||||||||||||||||||||||||||
| 동작에 필요한 힘, OF Max | 350 gf | ||||||||||||||||||||||||||||||||||||||||||||||||||||||||||||||||||||||||||||||||||||||||||||||
![]() |
![]() |
돌아가는 힘, RF Min | 114 gf | ||||||||||||||||||||||||||||||||||||||||||||||||||||||||||||||||||||||||||||||||||||||||||||
| 동작까지의 움직임, PT Max | 0.4 mm | ||||||||||||||||||||||||||||||||||||||||||||||||||||||||||||||||||||||||||||||||||||||||||||||
| 동작후의 움직임, OT Min | 1.6 mm | ||||||||||||||||||||||||||||||||||||||||||||||||||||||||||||||||||||||||||||||||||||||||||||||
| 응차의 움직임, MD Max | 0.1 mm | ||||||||||||||||||||||||||||||||||||||||||||||||||||||||||||||||||||||||||||||||||||||||||||||
| 동작위치, OP | 21.5±0.5 mm | ||||||||||||||||||||||||||||||||||||||||||||||||||||||||||||||||||||||||||||||||||||||||||||||
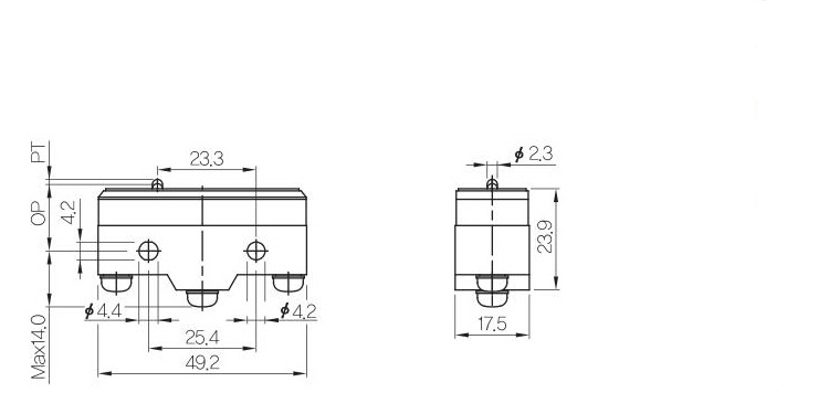
| 핀눌름버튼형 Pin push button |
SHZM-P503C-15GA | ||||||||||||||||||||||||||||||||||||||||||||||||||||||||||||||||||||||||||||||||||||||||||||||
| 동작에 필요한 힘, OF Max | 350 gf | ||||||||||||||||||||||||||||||||||||||||||||||||||||||||||||||||||||||||||||||||||||||||||||||
![]() |
![]() |
돌아가는 힘, RF Min | 114 gf | ||||||||||||||||||||||||||||||||||||||||||||||||||||||||||||||||||||||||||||||||||||||||||||
| 동작까지의 움직임, PT Max | 0.4 mm | ||||||||||||||||||||||||||||||||||||||||||||||||||||||||||||||||||||||||||||||||||||||||||||||
| 동작후의 움직임, OT Min | 1.6 mm | ||||||||||||||||||||||||||||||||||||||||||||||||||||||||||||||||||||||||||||||||||||||||||||||
| 응차의 움직임, MD Max | 0.1 mm | ||||||||||||||||||||||||||||||||||||||||||||||||||||||||||||||||||||||||||||||||||||||||||||||
| 동작위치, OP | 16.0±0.4 mm | ||||||||||||||||||||||||||||||||||||||||||||||||||||||||||||||||||||||||||||||||||||||||||||||
| 정격 및 성능 Rating and Performance | |||||||||||||||||||||||||||||||||||||||||||||||||||||||||||||||||||||||||||||||||||||||||||||||
| 정격 Ratings |
AC정격 AC Supply |
125V | 250V | ||||||||||||||||||||||||||||||||||||||||||||||||||||||||||||||||||||||||||||||||||||||||||||
| 유도성부하 Inductive load |
유도부하 Inductive load | 7 A | 5 A | ||||||||||||||||||||||||||||||||||||||||||||||||||||||||||||||||||||||||||||||||||||||||||||
| 전동기부하 Motor load |
Close | 2.5 A | 2 A | ||||||||||||||||||||||||||||||||||||||||||||||||||||||||||||||||||||||||||||||||||||||||||||
| Open | 1.5 A | 1 A | |||||||||||||||||||||||||||||||||||||||||||||||||||||||||||||||||||||||||||||||||||||||||||||
| 무유도성부하 Non-Inductive load |
저항부하 Resistance load | 15 A | 15 A | ||||||||||||||||||||||||||||||||||||||||||||||||||||||||||||||||||||||||||||||||||||||||||||
| 램프부하 Lamp load |
Close | 2 A | 1 A | ||||||||||||||||||||||||||||||||||||||||||||||||||||||||||||||||||||||||||||||||||||||||||||
| Open | 1 A | 0.5 A | |||||||||||||||||||||||||||||||||||||||||||||||||||||||||||||||||||||||||||||||||||||||||||||
| DC정격 DC Supply |
8V | 14V | 30V | 125V | 250V | ||||||||||||||||||||||||||||||||||||||||||||||||||||||||||||||||||||||||||||||||||||||||||
| 유도성부하 Inductive load |
유도부하 Inductive load | 7 A | 7 A | 1 A | 0.03 A | 0.02 A | |||||||||||||||||||||||||||||||||||||||||||||||||||||||||||||||||||||||||||||||||||||||||
| 전동기부하 Motor load |
Close | 3 A | 3 A | 1 A | 0.03 A | 0.02 A | |||||||||||||||||||||||||||||||||||||||||||||||||||||||||||||||||||||||||||||||||||||||||
| Open | 1.5 A | 1.5 A | 0.5 A | 0.03 A | 0.02 A | ||||||||||||||||||||||||||||||||||||||||||||||||||||||||||||||||||||||||||||||||||||||||||
| 무유도성부하 Non-Inductive load |
저항부하 Resistance load | 15 A | 15 A | 2 A | 0.4 A | 0.2 A | |||||||||||||||||||||||||||||||||||||||||||||||||||||||||||||||||||||||||||||||||||||||||
| 램프부하 Lamp load |
Close | 2 A | 2 A | 2 A | 0.4 A | 0.2 A | |||||||||||||||||||||||||||||||||||||||||||||||||||||||||||||||||||||||||||||||||||||||||
| Open | 1 A | 1 A | 1 A | 0.4 A | 0.2 A | ||||||||||||||||||||||||||||||||||||||||||||||||||||||||||||||||||||||||||||||||||||||||||
| 성능 Performance |
허용동작빈도 Max. Operating Cycles |
기계적 Mechanical |
최대
240회/분 240 Cycles/min |
||||||||||||||||||||||||||||||||||||||||||||||||||||||||||||||||||||||||||||||||||||||||||||
| 전기적 Electrical |
최대
20회/분 20 Cycles/min |
||||||||||||||||||||||||||||||||||||||||||||||||||||||||||||||||||||||||||||||||||||||||||||||
| 허용동작속도 Max. Operating speed |
0.1mm ~ 1mm | ||||||||||||||||||||||||||||||||||||||||||||||||||||||||||||||||||||||||||||||||||||||||||||||
| 절연저항 Insulation Resistance |
100MΩ 이상 (DC500V MΩ 절연저항계) min. 100MΩ at DC500V |
||||||||||||||||||||||||||||||||||||||||||||||||||||||||||||||||||||||||||||||||||||||||||||||
| 접촉저항 Contacts Resistance |
15MΩ 이하 Max. 15MΩ at the beginning |
||||||||||||||||||||||||||||||||||||||||||||||||||||||||||||||||||||||||||||||||||||||||||||||
| 내전압 Dielectric Strength |
충전부간 Between live parts |
AC 1,000V 50/60Hz 1min | |||||||||||||||||||||||||||||||||||||||||||||||||||||||||||||||||||||||||||||||||||||||||||||
| 비충전부간 Between non-live parts |
AC 2,000V 50/60Hz 1min | ||||||||||||||||||||||||||||||||||||||||||||||||||||||||||||||||||||||||||||||||||||||||||||||
| 내진동 Vibration Protection |
10 ~
55Hz 복진폭 1.5mm 10 ~ 55Hz Double Amplitude 1.5mm |
||||||||||||||||||||||||||||||||||||||||||||||||||||||||||||||||||||||||||||||||||||||||||||||
| 내충격 Mechanical Shork Protection |
내구 Endurance |
1000m/s2 이상(약 100G
이상) min 1000m/s2(Approx.100G) |
|||||||||||||||||||||||||||||||||||||||||||||||||||||||||||||||||||||||||||||||||||||||||||||
| 오동작 Malfunction |
50m/s2 이상(약 5G
이상) min 50m/s2(Approx.5G) |
||||||||||||||||||||||||||||||||||||||||||||||||||||||||||||||||||||||||||||||||||||||||||||||
| 수명 Lifetimes |
기계적 Mechanical |
1,000만회
이상 10 million operation |
|||||||||||||||||||||||||||||||||||||||||||||||||||||||||||||||||||||||||||||||||||||||||||||
| 전기적 Electrical |
10만회
이상 0.1 million operation |
||||||||||||||||||||||||||||||||||||||||||||||||||||||||||||||||||||||||||||||||||||||||||||||
| 사용주위온도 Ambient Temperature for operation |
-10 ~ +80℃ | ||||||||||||||||||||||||||||||||||||||||||||||||||||||||||||||||||||||||||||||||||||||||||||||
| 사용주위습도 Ambient Humidity |
96%RH 이하 Under 96%RH |
||||||||||||||||||||||||||||||||||||||||||||||||||||||||||||||||||||||||||||||||||||||||||||||
![]() |
|||||||||||||||||||||||||||||||||||||||||||||||||||||||||||||||||||||||||||||||||||||||||||||||
| 도면 | |||||||||||||||||||||||||||||||||||||||||||||||||||||||||||||||||||||||||||||||||||||||||||||||
| 준비중 | |||||||||||||||||||||||||||||||||||||||||||||||||||||||||||||||||||||||||||||||||||||||||||||||
quality certification
품질인증







