| ※페이지 하단에서 인증서 및 도면을 다운로드 받을 수 있습니다. | ||||||||||||||||||||||||||||||||||||||||||||||||||||||||||||||||||||||||||||||||||||||||||||||||
| 집합 표시등 Square Light |
||||||||||||||||||||||||||||||||||||||||||||||||||||||||||||||||||||||||||||||||||||||||||||||||
| S | H | P | R | - | S | L | 3 | 3 | - | A | 1 | 1 | 2 | X | 5 | R | ||||||||||||||||||||||||||||||||||||||||||||||||||||||||||||||||||||||||||||||||
|
|
||||||||||||||||||||||||||||||||||||||||||||||||||||||||||||||||||||||||||||||||||||||||||||||||
| SungHo | PR Series | 표시면형상 Shape |
외형치수 Dimension |
전압종류 Voltage Type |
정격전압 Rated Voltage |
단수 Row |
열수 Comumn |
Color | ||||||||||||||||||||||||||||||||||||||||||||||||||||||||||||||||||||||||||||||||||||||||
| SL:정사각형 | 33:30X30 | A : AC | 24 : 24V | 1~n | 1~n | R : Red | ||||||||||||||||||||||||||||||||||||||||||||||||||||||||||||||||||||||||||||||||||||||||||
| RL:직사각형 | 34:30X40 | D : DC | 11 : 110V | G : Green | ||||||||||||||||||||||||||||||||||||||||||||||||||||||||||||||||||||||||||||||||||||||||||||
| 12 : 125V | O : Orange | |||||||||||||||||||||||||||||||||||||||||||||||||||||||||||||||||||||||||||||||||||||||||||||||
| 22 : 220V | BU : Blue | |||||||||||||||||||||||||||||||||||||||||||||||||||||||||||||||||||||||||||||||||||||||||||||||
| W : White | ||||||||||||||||||||||||||||||||||||||||||||||||||||||||||||||||||||||||||||||||||||||||||||||||
| 정격 및 성능 Characteristics | ||||||||||||||||||||||||||||||||||||||||||||||||||||||||||||||||||||||||||||||||||||||||||||||||
| 램프정격 Light Ratings |
정격전압 Rated Voltage |
DC 24V | ||||||||||||||||||||||||||||||||||||||||||||||||||||||||||||||||||||||||||||||||||||||||||||||
| 사용전압 Operated Voltage |
DC 24V ±10% | |||||||||||||||||||||||||||||||||||||||||||||||||||||||||||||||||||||||||||||||||||||||||||||||
| 정격전류 Rated Current |
20mA | |||||||||||||||||||||||||||||||||||||||||||||||||||||||||||||||||||||||||||||||||||||||||||||||
| 표시색상 Illuminating Color |
적색, 황색, 녹색, 청색, 백색 Red, Orange, Green, Blue, White |
|||||||||||||||||||||||||||||||||||||||||||||||||||||||||||||||||||||||||||||||||||||||||||||||
| 성능 Performance |
조작전압 Control Voltage |
AC 110V, 220V | ||||||||||||||||||||||||||||||||||||||||||||||||||||||||||||||||||||||||||||||||||||||||||||||
| DC 24V, 110V, 125V | ||||||||||||||||||||||||||||||||||||||||||||||||||||||||||||||||||||||||||||||||||||||||||||||||
| 절연저항 Insulation Resistance |
100MΩ 이상 (DC500V MΩ 절연저항계) min. 100MΩ at DC500V |
|||||||||||||||||||||||||||||||||||||||||||||||||||||||||||||||||||||||||||||||||||||||||||||||
| 내전압 Dielectric Strength |
충전부간 Between live parts |
AC 1,500V 50/60Hz 1min | ||||||||||||||||||||||||||||||||||||||||||||||||||||||||||||||||||||||||||||||||||||||||||||||
| 비충전부간 Between non-live parts |
AC 2,500V 50/60Hz 1min | |||||||||||||||||||||||||||||||||||||||||||||||||||||||||||||||||||||||||||||||||||||||||||||||
| 주위온도 Ambient Temperature |
사용시 Operation |
-20 ~ +40℃ | ||||||||||||||||||||||||||||||||||||||||||||||||||||||||||||||||||||||||||||||||||||||||||||||
| 보관시 Storage |
-25 ~ +55℃ | |||||||||||||||||||||||||||||||||||||||||||||||||||||||||||||||||||||||||||||||||||||||||||||||
| 사용주위습도 Ambient Humidity |
45 ~ 85%RH | |||||||||||||||||||||||||||||||||||||||||||||||||||||||||||||||||||||||||||||||||||||||||||||||
| 주의사항 Caution |
∙ AC용은 Check 단자가 없습니다. | |||||||||||||||||||||||||||||||||||||||||||||||||||||||||||||||||||||||||||||||||||||||||||||||
| ∙ Check Terminal 사용시 부가회로를 사용하지 마십시오. 램프체크시 역전압이 발생됩니다. | ||||||||||||||||||||||||||||||||||||||||||||||||||||||||||||||||||||||||||||||||||||||||||||||||
| ∙ LED Unit 분해시는 반드시 전원을 차단하십시요. | ||||||||||||||||||||||||||||||||||||||||||||||||||||||||||||||||||||||||||||||||||||||||||||||||
| ∙ 판넬부착시 집합표시등 본체의 중량, 배선에 의한 전선의 중량등을 고려하여 판넬두께를 결정하십시요. | ||||||||||||||||||||||||||||||||||||||||||||||||||||||||||||||||||||||||||||||||||||||||||||||||
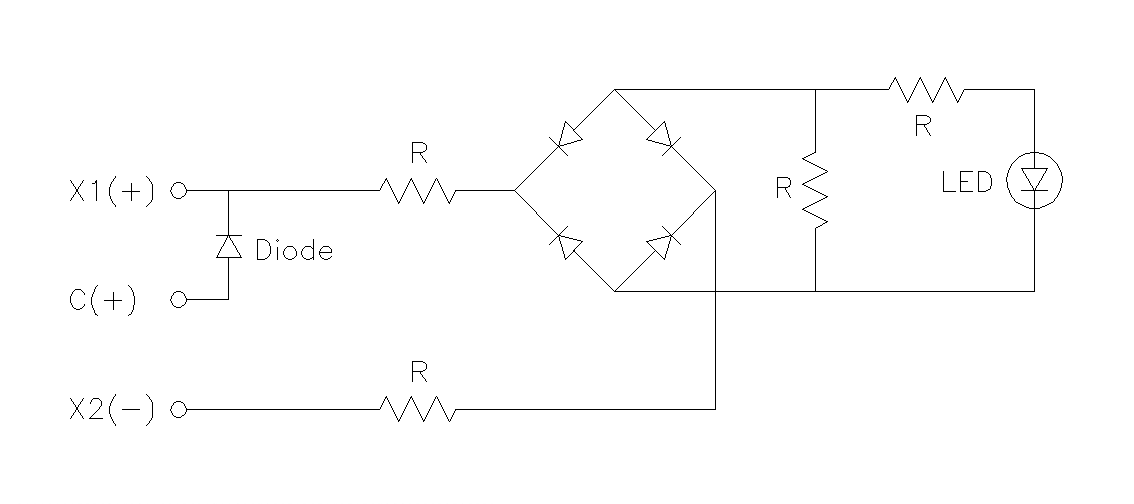
| Check Terminal 회도로 Check Terminal circuit diagram | ||||||||||||||||||||||||||||||||||||||||||||||||||||||||||||||||||||||||||||||||||||||||||||||||
![]() |
||||||||||||||||||||||||||||||||||||||||||||||||||||||||||||||||||||||||||||||||||||||||||||||||
| i | ||||||||||||||||||||||||||||||||||||||||||||||||||||||||||||||||||||||||||||||||||||||||||||||||
| AC용은 Check Terminal이 없습니다. | ||||||||||||||||||||||||||||||||||||||||||||||||||||||||||||||||||||||||||||||||||||||||||||||||
| 외형치수 Square Lamp Dimensions | ||||||||||||||||||||||||||||||||||||||||||||||||||||||||||||||||||||||||||||||||||||||||||||||||
| 정사각형 표시등 SL Series | 직사각형 표시등 RL Series | |||||||||||||||||||||||||||||||||||||||||||||||||||||||||||||||||||||||||||||||||||||||||||||||
![]() |
||||||||||||||||||||||||||||||||||||||||||||||||||||||||||||||||||||||||||||||||||||||||||||||||
| 집합표시등의 취부방법 Attachment method of Square light/Number of jointing part | ||||||||||||||||||||||||||||||||||||||||||||||||||||||||||||||||||||||||||||||||||||||||||||||||
![]() |
• 조립된 집합표시등을 판넬에 끼운 후 좌측 그림과 같이 취부대를 찬넬 구멍에 걸고 볼트를 체결합니다. | |||||||||||||||||||||||||||||||||||||||||||||||||||||||||||||||||||||||||||||||||||||||||||||||
| • 찬넬 취부대는 조립된 집합체 수량에 따라 아래 표의 수량으로 체결합니다. | ||||||||||||||||||||||||||||||||||||||||||||||||||||||||||||||||||||||||||||||||||||||||||||||||
| • 체결 및 분해시는 반드시 전원을 차단하여 주십시오. | ||||||||||||||||||||||||||||||||||||||||||||||||||||||||||||||||||||||||||||||||||||||||||||||||
| 단 Row\열 Column | 1 ~ 2 | 3 ~ 8 | 9 ~ 15 | 16 ~ 20 | ||||||||||||||||||||||||||||||||||||||||||||||||||||||||||||||||||||||||||||||||||||||||||||
| 1 ~ 2 | 2 | 4 | 6 | 8 | ||||||||||||||||||||||||||||||||||||||||||||||||||||||||||||||||||||||||||||||||||||||||||||
| 3 ~ 6 | 4 | 6 | 8 | 10 | ||||||||||||||||||||||||||||||||||||||||||||||||||||||||||||||||||||||||||||||||||||||||||||
| 7 ~ 10 | 6 | 8 | 10 | 12 | ||||||||||||||||||||||||||||||||||||||||||||||||||||||||||||||||||||||||||||||||||||||||||||
| 도면 | ||||||||||||||||||||||||||||||||||||||||||||||||||||||||||||||||||||||||||||||||||||||||||||||||
| 다운로드 | ||||||||||||||||||||||||||||||||||||||||||||||||||||||||||||||||||||||||||||||||||||||||||||||||
quality certification
품질인증



